Digital Termometer Circuit Diagram Introduction In today's world, digital thermometers have become an essential tool in various industries, from healthcare to engineering. These devices offer accurate temperature measurements and are easy to use, making them a popular choice for many applications. If you're interested in learning how to design a digital thermometer PCB (Printed Circuit Board), this article will [โฆ] A digital thermometer which measures temperature in Celsius. Big thanks to Elegoo for their products and their electronic guide! Use an Arduino, DS18B20 temperature probe, and OLED screen to create your own digital thermometer.

Build your own digital thermometer with Arduino! This beginner-friendly guide shows you step-by-step how to create an accurate temperature sensor. Learn electronics & have fun - perfect project for students & hobbyists! Build the Simplest Digital Thermometer!: Even though an electronic hobbyist since years, this will be my first instructable over here! This project is not as a permanent solution for a digital thermometer, but a quick to build one just in case you cant find your dedicated one or if it stoโฆ Hello, friends! In this video, I show you how to make my version of the Digital Thermometer, this device displays temperature in ยฐC and displays the humidity percentage.

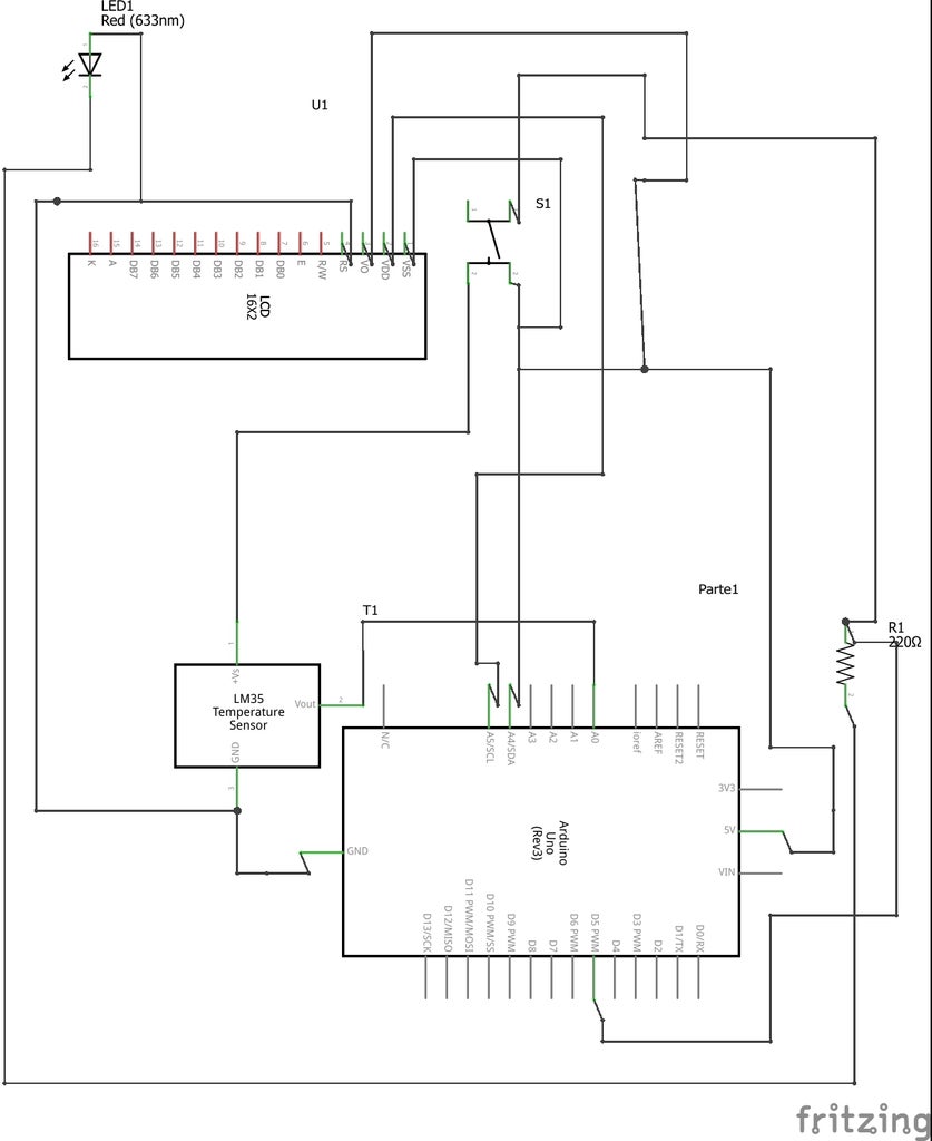
Make a DIY Digital Thermometer With Arduino Circuit Diagram
Make a Digital Thermometer: In this instructable, you will learn how to make a simple digital thermometer for under ยฃ10 using a few simple components and 1 IC. Finished project should look something like this: Create a digital thermometer using Arduino with our easy step-by-step guide! Learn how to assemble and program a thermometer to measure and display temperatu

Learn the basics of thermometer. Key Takeaways : What is a digital thermometer How we interface LM35 and Arduino Uno to the thermometer How to install this project of Thermometer.
